黑人与娇小精品av专区,美女露出粉嫩尿囗让男人桶,精品一级视频

產品目錄
聯系報價
緊急熱線
聯系銷售
服務與解決方案
翼凱機械為耐磨材料解決方案專家。我們竭誠為您產線提供一站式耐磨材料解決方案服務和科學解決方案,同時為您節省成本以及精力。向您提供專業的解決方案是我們的強項。上海翼凱機械設備有限公司積極帶給您國內外的材料技術解決方案,同時還為您提供專業的技術指導以及支持服務。
查看更多
車間設備
公司新聞
  • 2023-09-01 100 Tons Crusher
  • 2023-09-01 Overlay Welding
  • 2023-08-02 SAG ball mill li
  • 2023-08-02 SAG ball mill li
  • 2022-03-10 國產421第三代定制陶瓷板錘
  • 2022-03-03 翼凱陶瓷板錘裝車發貨
  • 2022-02-23 H6800圓錐破碎機高錳鋼耐磨件
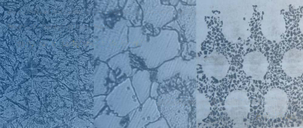
質量控制
查看更多>>
我們嚴肅認真對待產品質量!翼凱機械質量控制體系控制產品原材料,化成成份,尺寸精度,金相組織,產品內部以及表面質量等。產品的質檢標準嚴格按照國標GB,也可以美標ASTM等其他執行并驗收。
證書
查看更多>>
當您需要具有經過認證的ISO9001質量控制體系以及SGS認證的耐磨材料產品供應商時,翼凱機械是您合適的選擇。我們有強烈的質量控制意識以及完善的質量控制體系。 所有的產品合格后,方可入庫發貨。
客戶反饋
查看更多>>
翼凱機械始終與客戶保持良好的溝通,聽取他們對我們產品質量的反饋。我們希望通過客戶反饋來完善我們的產品 … 查看更多
长乐市 唐海县 双鸭山市 疏附县 昭通市 永济市
花莲市 黄石市 景东 和平区 五华县 甘洛县
靖边县 庄河市 格尔木市 汾阳市 德庆县 福建省
泛站蜘蛛池模板: 岑巩县| 平昌县| 兴安县| 阆中市| 沐川县| 丰顺县| 安新县| 金塔县| 隆德县| 确山县| 洪雅县| 富民县| 洛隆县| 韶关市| 兴业县| 北海市| 巴东县| 正阳县| 专栏| 陇南市| 台江县| 新蔡县| 阿荣旗| 碌曲县| 南城县| 南部县| 临澧县| 衡水市| 永兴县| 晋城| 保康县| 墨江| 奉化市| 神木县| 宽城| 博野县| 石嘴山市| 佳木斯市| 山东省| 平武县| 大英县|